• 有铁芯直线电机平台

有铁芯直线电机平台

  • 发布时间:2018-06-11 11:12
  • 1、高刚性强,稳定性好,组合精度高。 2、结合零背隙直接驱动技术,结构简单,维护成本低,寿命长。 3、直线电机平台,采用大理石平台基座,组合精度高,性能稳定,同步性高。
  • 在线咨询
有铁芯直线电机平台特点:

1、高刚性强,稳定性好,组合精度高。
 
2、结合零背隙直接驱动技术,结构简单,维护成本低,寿命长。
 
3、直线电机平台,采用大理石平台基座,组合精度高,性能稳定,同步性高。
 
4、采用以色列驱动器,响应频率高、反应速度快、功能强大、稳定性强
 
5、直线电机+大理石平台,双重技术保障,资深工程师一对一沟通,一站式驱动服务,售后无忧。

有铁芯直线电机平台技术参数

 

    型号         BZD--650N
     峰值推力     1320N
     持续推力     650N
    定子定制长度     客户自选
    持续电流     3.1Arms
    推力常数     46.7N/Arms
    最大速度     根据客户需求定制
    最大加速度(m/s²)     根据客户需求定制
    重复定位精度(um)     ±1 

有铁芯直线电机平台定子动子参数:

注:上表参数以选型计算为准,不同需求配置不一样;

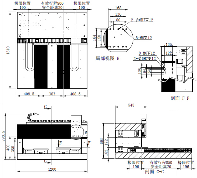
有铁芯直线电机平台尺寸图

有铁芯直线电机平台应用于:
  激光切割、激光雕刻、激光打标、晶圆检测与探测、半导体固晶机、半导体金线焊线机、集成块检测与探测、高速取放与传送设备等

 
联系我们

深圳市博智达机器人有限公司

QQ:65454745

电话:0755-23301799

手机:189-3863-0845

邮箱:65454745@qq.com

地址:深圳市宝安区新桥街道沙企社区中心路18号高盛大厦A907